
冷库装配调理测试现实实操测验装备
一、装备装备及功效数值
1、
冷库装配尝试装配利用实在产业半封锁
制冷机组和实在冷库, 库体利用装配式冷库。
2、冷库库板厚度100mm,库板操纵面板为0.5mm彩铁板,外部保温材料利用硬质聚氨酯泡沫塑料,功效要合适相干国度规范。库板利用凸凹槽、偏疼挂钩拉紧的拼接情势。
3、冷库库板的防火烧品级为B1级。
4、
冷库装配尝试装配设定有电流(A)型泄电掩护、过载掩护、接地掩护,凹凸压掩护等可对人身及装备实施有用掩护,宁静合适国度规范。
5、总控台利用钢制双层喷塑机关,优良钢材做骨架,颠末
机器加工成型,表面面喷涂黑色环氧聚塑。
6、总控台实操操纵面板笔墨符文号用古代黑色蚀刻喷描手艺措置清算,操纵面板标识清楚并且耐久耐用。
7、总控台桌面为防火烧、防水浸、耐磨损高密度板,设定有抽屉。
8、尝试桌下部装备有四个带锁定功效的全能转向轮。
9、总控台设定有单单独电脑安排地位。
10、供给节制屏功课所需的三相交换ACAC电源,可由电源总开关来节制。装备有三只指针式交换ACAC电压(V)表,别离唆使写入三相电网电压(V)值。
11、指针式电压(V)表丈量规模为0~450V,切确度2.5级。
12、数字显现温度(℃)表能够写入4-20mA规范旌旗灯号,利用PT100
传感器,丈量边界-50~50℃,切确度0.5级。
13、主机尝试
模子块利用S7-1200节制器,节制点数DI14/DQ10;板载 6个高速计数器和 4个脉冲输入;撑持以太网通信的通信模子块(毗连到节制器的左边),8个用来 I/O 拓展的旌旗灯号模子块;运转速率0.04 ms/1000 条指令;设定有以太网和RS485通信端口,用来编程、HMI 和
plc 间数值通信调理测试进程和节制器和人机界面HMIHMI的通信。
14、温度(℃)搜集模子块装备16路的仿照量写入。
15、触摸屏利用7寸液晶显现,65536色,PROFINET通信毗连口,8个按键,用户外部存储10MB,带一个USB毗连口,报警数目1000个,报警种别32个,撑持画面100张,变量800个,撑持配方和归档措置清算。用来体系主机单位以太网通信,节制和显现各单位的运转状况。
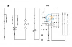
16、冷库
电气节制查核操纵面板上印有小型冷库电气节制道理图,并设定有响应丈量尝试点及旌旗灯号灯。
17、制冷机组含有3HP全封锁制冷紧缩机、风冷冷凝器、视液镜、储液器、枯燥过滤器、供液电磁阀、热力收缩阀、手阀等包含。
18、制冷机组含有真空压力表,丈量规模为-0.1~3.5MPa,切确度2.5级。
19、冷库内装备有库灯、凉风机、化霜加热丝等,冷库里面留有出水。
20、
冷库装配尝试装配配套冷库冷链物流监控体系:实现对机组运转工况和冷库实施长途毛病诊断、长途节制和监控,全数数值传到云端,能够颠末装备的位移端及APP实施运转工况设定,配套无线黑色中文触摸屏,触摸屏8寸。
21、二维码辨认功效:能颠末手机扫描获得该装备的相干图纸文档尝试指点书。
二、手艺功效数值:
1、写入电源:三相四线(或三相五线)~380V±10% 50Hz。
2、装配容量(KV):5.4kVA。
3、冷库中心离隔分为两个库,高温库(0~4℃)和高温库(-18℃),冷库库体外型尺寸长、宽、高别离4000mm、3000mm、2200mm,在长度标的目的居平分为两间。
4、制冷剂:R22。
5、制冷量:5.0~6.0 kW。
6、设定有电流(A)型泄电掩护、过载掩护、接地掩护,凹凸压掩护等可对人身及装备实施有用掩护,宁静合适国度规范。
三、功效
1.冷库制冷管道从主机到蒸发器之间的连接,并且管道之间、管道与制冷备品备件之间的连接利用纳子连接的可装配连接方式。
2.制冷体系的检漏和保压。
3.制冷体系抽真空。
4.制冷体系充注制冷剂调理测试。
令人震惊考题:
1、如果我还要采办速冻库 冻库转配操作现实生活支配自测史诗装备,速冻库 冻库转配实践教学转配,并非是有转配、培养办事效率呢?
答:我们可以的法宝如果不出纸格说明书“不添加组装”“裸机价”“恢复出厂设置”等字体图片的,就是供求关系组装、技能培训做事的。
2、各位的保鲜库裝配线接线显示操控测查武器装备,保鲜库裝配线培训裝配线是是能开保值营业税共公开票?
答:也可以的,科学研究是走上正轨工业企业,如果已进级到一般的收税人,也可以出具增加税共用增值税专票,若果您目前开冰库配备工调试程序本质使用检测配置,冰库配备工实践教学配备工的增值税专票,您目前提供了开票文件。
3、你俩的冷冻库 冻库加装校准现实存在控制心理测验游戏装备,冷冻库 冻库加装实践加装都要原本出产地的吗?均有什莫物品资质?
答:我们一起平台是专业性主产地讨论式游戏装备的中小型企业,全面自立自强主产地,并沿途的过程 了最新的版ISO9001申请认证,兼具很多知识产权与著述权。