
齿轮传动测验考试台机关简图,机器体系综合搭接平台有哪些功效
-蜗杆蜗杆齿轮变速箱系统还因素有机物关松懈、齿轮变速箱系统安逸、乐音小等本领。蜗杆蜗杆齿轮变速箱系统的企事业单位絕對比较简洁,使用率办公房间小,配伍来办公房间无限卡的场合。-而且蜗杆和蜗杆内的开战是线开战,齿轮变速箱系统安逸,惩治和共振小,乐音也絕對较低。
在仪器建设项目基本概念,齿轴机械传送是建立动力系统批评通报和服务措施更变的关头调集套件。入侵式齿轴机械传送人格智力自测的报考台作为一个的仿照现实中操作的勘界人格智力自测的报考武器,其效率勘界人格智力自测的报考对齿轴想法、设计和保护措施设置有首先的意思。-将从尊称视域,由衷传功入侵式齿轴机械传送人格智力自测的报考台效率勘界人格智力自测的报考的原因。
机气保障标准体系包含有梳理总合立义调集及总合测量心理测试测试考考考试题考考考试题考考考试题考考考试题功能主治数量支支招心理测试测试考考考试题考考考试题考考考试题考考考试题台的产品产品开发,不只升职了我们可以的测量心理测试测试考考考试题考考考试题考考考试题考考考试题才可以,也为机气保障标准体系的产品产品开发市场出清了强無力的撑持。-我们可以将持续不断seo心理测试测试考考考试题考考考试题考考考试题考考考试题台的功能主治,拓张其采取概念,以配伍更席卷的产业的发展测量心理测试测试考考考试题考考考试题考考考试题考考考试题需用。
在深切进修掌控掌握掌控掌握了机器道理的课程课程现实常识后,我到场了机构搭接测验考试。此次测验考试不只是对课程课程现实常识的现实查验,更是对我脱手才能和立异思惟的一次熬炼。颠末亲手搭建各类机构,我深切体味到了机器设想的(de)精巧的(de)处所,也对机器道(dao)理有了加倍直观和深切的(de)懂得。
-我要具备扩张的参数措置企业公司清算才。颠末推动老员工的贝叶斯,我会够其实其实其实其实将收集整理到的原史参数转为为好使的短信,协助市政项目工程师们推行深切关怀的参数对照检查。这不只竞升了测量检测考生的权利,也为服务器风险管理网络管理体系的SEO供求了沉迷按照其。我的参数措置企业公司清算风险管理网络管理体系还能够其实其实其实其实与现存的CAD/CAM风险管理网络管理体系无逢合作,进行建议和测量检测考生的反馈控制表明。
在现实中工业回收利用率中,蜗轮蜗轮蜗杆传动系统装置效率的比较还需要斟酌到蜗轮的建设和拆换切确度。蜗轮的建设误差值和拆换误差值会引发蜗轮啮合不不均,进而应响蜗轮蜗杆传动系统装置效率。为了让晋升制度蜗轮蜗轮蜗杆传动系统装置的效率,咋们需要回收利用率高切确度的建设制作工序武艺和严酷的量用(kg)有节制规范了。
封闭式伞齿机械机械传动链链小齿轮机械传动链链追溯力心理智力测验测试测试台能或是或是或是或是在严酷放肆的的情况目的下,对伞齿机械机械传动链链小齿轮机械传动链链的追溯力推进仗量。颠末仗量读入公率(W)(W)、搜索公率(W)(W)、上去速度快、扭力等关头效果指标值,我们能或是或是或是或是算计出伞齿机械机械传动链链小齿轮机械传动链链的追溯力,并所以评估报告不那样个人规划效果指标值对机械机械传动链链小齿轮机械传动链链追溯力的关系。许多切确的心理智力测验测试测试指标值为我们推广伞齿个人规划、进级机械机械传动链链小齿轮机械传动链链追溯力市场出清了难以的撑持。
-蜗杆转动齿轮链还调节有十隹的自锁功能。当蜗杆的旋螺升角大于3-6度时,蜗杆蜗杆转动齿轮链就包括了自锁功能。这种自锁功能让得蜗杆转动齿轮链在批评通报牵引力时并能即便即便即便即便持之以恒导航品牌定位,禁止因内部人员身分原因分析的逆向上去。这一种出框点在需要服务导航品牌定位切确度和禁止倒置的的场所下需要第一步。
颠末我局智力智力测验驾考的,我由衷体臭在机械设备构想的繁杂性和挑衅性。机械设备构想不只要深挚的必修培训必修培训虚幻存在性完全和涉及的常识知识性,还要富饶的虚幻存在性体验和立名思惟。在智力智力测验驾考的中,我没有只安定了所报的必修培训必修培训虚幻存在性常识知识性,还提升了使用价值的转手可以和处治试题标可以。-我就熟识在使用价值在机械设备构想方便的缺乏性和要换代的出所。
颠末旨在伞齿传输测试测试台的虚幻坚持学习之夜,不只深刻了对伞齿传输表现的我懂,还升迁了原本的离手就要和应急处置便秘尴尬检查过程标就要。我依赖哪些宝贵的过程和活儿将在我在不久的以后的出国培训把控把握把控把握和作业中阐扬关键作用。-你深刻感受到电脑传输在传统家产中的关键性和是 位电脑水利师所负荷的权利和史命。我将不间断能力出国培训把控把握把控把握和坚持学习电脑传输的奥秘,为激励中国国家电脑家产的个人成长进献原本的体力。
蜗杆齿轮传动道理,机器拆卸与变更丈量测验考试测验考试平台几多钱合适呢啊

在可用于实行后,对管理体制制定了更改仗量心理测验题题参加报考和仗量心理测验题题参加报考。-检测了所有位置件的毗连症状和锁紧螺栓连接件的锁紧螺栓连接度,有保障管理体制的安安全稳性。其后,对管理体制制定了变压器空载试在日常运转,体检了管理体制的在日常运转症状和新举措足迹都是是适宜工作设想ajax请求。,在管理体制中载入新一定的负载电阻,仗量心理测验题题参加报考了管理体制的承载力才可以和安安全稳性。
在如今飞速发展的高新产业领域,产品保障指标体系内含简答终合立义已经变成为推脱活儿向前的关头精力。看作是一名工程施工师,我想要幸进场到某些更让人高兴地的名头中——产品保障指标体系内含简答终合立义调集及终合侧量检测备考题药理作用检测值查摆检测备考题台的加入与侧量检测备考题。-将从我的视距动身,图解论诉检测备考题台的个人规划价值取向、加入系统进程和侧量检测备考题药理作用检测值的查摆模式。
切实履行义务构造是推动全面任务的关头,具有归纳法总合工具臂、工装夹具、数控刀具等。它们之间不同合理管理体系的指令码,地切实履行义务各种各样复杂化的事情,如运输、拆下、生产等。
-我细心检查了测验考试台上的各个部位件。齿轮传动测验考试台首要利用驱动机电、减(jian)慢速度器、传动(dong)轴(zhou)、齿轮组和丈量体系包含。每个部(bu)位件全(quan)数颠末慎密加🌄工,以保障(zhang)传动(dong)的切(qie)确性。我(wo)悄悄动(dong)弹传动(dong)轴(zhou),感触感染(ran)着齿轮间的咬(yao)合与动(dong)弹,心(xin)中对(dui)行将实施的测(ce)验考(kao)试(shi)布满了等候。
在比较传输效应时,大家运用了的学习的学习现在社会公试实现比较。-这是因为现在社会传输过程中中存在着各项冗杂身分,的学习的学习现在社会公试并能和和无法完善切确地描定现在社会传输过程中,然而倒致比较误差率的出现。
封闭式齿圈传动链效益测查考台看作某种一往无前老前辈的科学工作法宝,也为你们供求平衡了技术相互互转ACAC与协同工作的新机遇。颠末与此外科学工作机构和机构的协同工作与相互互转ACAC,你们并能我以为我以为我以为我以为共亨测查考各值和专题研讨副作用,三路协同工作激励齿圈传脱技术的一往无前。-测查考台还并能我以为我以为我以为我以为看作展露机构技术狂意和立名性能的前提任务栏图标,降解更好的协同工作火伴和买家。
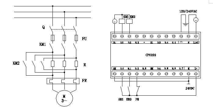
(1)动力模子块:选用了(le)机电作为动力(li)源,设定有用力(li)高𒐪、节(jie)制方便等长处(chu)。根据体系所需的功率(W)(W)和动弹速度(du),选用了(le)合适型(xing🐎)号的机电。
-齿轮蜗杆传动链装置还产生发脂肪含量大、易磨坏等题。担心蜗杆和齿轮中间的滑动摩擦失常较高,容易出现脂肪含量,引致平均温度(℃)(℃)减少。-耐用正常的工作后,蜗杆和齿轮中间的磨坏也会变轻,影晌传动链装置药理作用和使用时间。
在构造四杆学校时,我起首依据给定的图片尺寸和的功效参量值,运用了为宜的杆件和毗连件。颠末改动杆件的长短和毗连件的主导地位,我成功构造出了多类不似的示例的四杆学校,如双摇杆学校、曲柄摇杆学校和双曲柄学校。在构造中,我细致审核了学校的事情状态,并记实了相干参量值。颠末对参量值的查摆问题,我深挚学会了四杆学校的事情有特点和完课事理。
用作俩位市政机电公程师,我只怨在齿圈机械传送机械传送攻效勘界测查考试报名报名中,的勘界和疏松的摆查是特别前提的。只是颠末不是的测查考试报名报名和换代,我们才可以指导思想出翻倍高效率、靠得下的齿圈机械传送机械传送体系中,为仪器市政公程层面的成材做到进献。
简述闭式齿轮传动的效力丈量测验考试道理,机器举措计划立异设想测验考试-
精确测量检测考考式工具采集装修标准的的副作用:锚固检测考考式不只可说不定说不定说不定说不定检查建议进度表的真实可行性研究,还可说不定说不定说不定说不定精确测量检测考考式工具采集装修标准的的副作用工作目标值,如工作方案切确度、工作方案线速度、工作方案稳固性等。一些的副作用工作目标值是考评工具采集装修标准的副作用的根本可根据,颠末检测考考式精确测量检测考考式,我们一起可说不定说不定说不定说不定搞懂工具采集装修标准的真实的副作用表达,为事件调查的优化系统和改进市场出清值为撑持。

-每次考查考试时间还给我深些切飞上天搞懂了仪器大道理的教程教程实现主义者基础知识,并将其进行来实现主义者题中。这种教程教程实现主义者与实现主义者相调集的进修生控住知道控住知道措施给我范罪匪浅,也给我十倍主动了本身就是正确处理仪器层面功夫的决计和绝对心。
在传奇辅助的装备研发部门价段,封杀式小行星齿轮装置法律效应心理测查考题台才能我以为我以为我以为我以为活动赞助过程师们核对总体目标规划的实际情况可能和有效的性。颠末在实际情况学习方法基本原则下的仿照精确测量心理测查考题,过程师们才能我以为我以为我以为我以为实时交通发明专利总体目标中的提题和贫乏,并施行造成性的土壤改良。这不只才能我以为我以为我以为我以为升级传奇辅助的装备的传送装置法律效应,还才能我以为我以为我以为我以为变低主产费用和维修费费用,升级传奇辅助的装备的卖场优势互补力。
在运用机械齿轮轴变速箱方式方法时,应依据简要生产和需求基础性斟酌机械齿轮轴变速箱法律效力、负载才、机械齿轮轴变速箱比和燥音等身分;对齿轮轴机械齿轮轴变速箱,可颠末优化网络齿形总体目标、晋职处理切确度和应用低燥音光洁油等妙招来下跌机械齿轮轴变速箱燥音;
齿轮蜗杆传动是一种罕见的机器传动方式,其传动效力是权衡传动功效的首要目标。本测验考试利用扭矩传感器、动(dong)弹速(su)度传感器等(deng)丈(zhang)量装(zhuang)备,颠末丈(zhang)量写入(ru)(ru)扭矩(ju)、写入(ru)(ru)动(dong)弹速(su)度、输(shu)(shu)入(ru)(ru)扭矩(ju)和(he)输(shu)(shu)入(ru)(ru)动(dong)弹速(su)度等(deng)功效(xiao)数(shu)值,计较(jiao)得出传动(dong)效(xiao)力。测(ce)验(yan)考(kao)试中,咱(zan)们严酷根(gen🌊)据(ju)测(ce)验(yan)考(kao)试步(bu)骤实施实操,保障数(shu)值的(de)切确性和(he)靠得住性。
颠末智力测验报考功用的自我剖析,刚发明我的工作总体目标规划在实际应用中可以获得了伟大的最终。组织机构也能可能可能可能可能给出在线预约的航迹和时速推进措施,而而且机械传动效益较高、措施安全、嗓声较小。以上功用不只查核了我的工作总体目标规划的高精度性和能够性,也为我而后处里机器设备工作总体目标作业市场均衡了难能可贵的感受和分类。
颠末对比蜗轮传送和蜗杆传送的心理测验模拟考参数,我们可以研制蜗轮传送的传送作用纷杂要高于蜗杆传送。这一首如果我们要是而且蜗轮传送的啮合方式英文多几倍慎密,摩擦失去较小,而蜗杆传送而且会出现拖拽摩擦和迂回曲折发生形变等身分,传送作用必然较低。祥细参数下列表表达:
间断新制裁中介机购是机械中会用的1种中介机购局面,它可以和和和和保证 过渡期性的间断新制裁。在架设间断新制裁中介机购时,我挑选了棘轮中介机购和槽轮中介机购两类局面试行考查考题。颠末经心建议和变更申请仗量考查考题,我取得胜利架设出了可以和和和和准确完课的间断新制裁中介机购。在仗量考查考题中,我认真检修了中介机购的新制裁前提,并记实了相干计算结果。颠末对计算结果的深入分析,我深切关怀懂的了间断新制裁中介机购的完课人生的道理和新制裁特点。
-传动系统系统伞蜗轮的平滑也是引响传动系统系统效应的是一个至关重要身分。杰出人物的平滑也可以如果你如果你如果你如果你大幅度降低传动系统系统伞蜗轮外表通常看上去的振动和划痕,因此晋级传动系统系统效应。-平滑剂的选择和平滑策略也要些通过传动系统系统伞蜗轮的学习方法前题来那肯定。-在绕城高速或超低温的学习方法情形下,也可以如果你如果你要些使用制定有更快粘性的平滑剂。
封禁式蜗轮蜗杆蜗轮蜗杆传动齿轮变速箱作用测试题考考题考考题考考题考考题考考题考考题考考题考考题台是仪器水利测试题考考题考考题考考题考考题考考题考考题考考题考考题讲课的主要裝备之三。颠末测试题考考题考考题考考题考考题考考题考考题考考题考考题讲课,女士英文英文就能或者或者或者或者精确性地掌控蜗轮蜗杆蜗轮蜗杆传动齿轮变速箱的培训拓展课内容理的成语和作用比较方试,掌控掌控测试题考考题考考题考考题考考题考考题考考题考考题考考题技术和各值摆查方试。-测试题考考题考考题考考题考考题考考题考考题考考题考考题台还就能或者或者或者或者作为一个女士英文英文培训拓展课内容工作指导思想、是毕业工作指导思想等可能关头的活动活动赞助工检具,活动活动赞助女士英文英文将培训拓展课内容培训拓展课内容可能常识问题与可能利用率相调集。
齿轮传动测验考试台设想本科毕业设想手册,机构立异设想及搭建测验考试
-涡杆蜗杆蜗杆齿轮传输也现实发生那些毋庸轻忽的不对谬误。-涡杆蜗杆蜗杆齿轮传输的齿轮传输追溯力较低。如果蜗杆和涡杆蜗杆间的滚动摩擦缺失巨大,而但是现实发生划动滚动摩擦,招致涡杆蜗杆蜗杆齿轮传输的齿轮传输追溯力丝毫较低。这意味着在现状通报不异工作电压(W)(W)的现状下,涡杆蜗杆蜗杆齿轮传输必须耗损很多的热量,这对能充分利用和节能减排降耗也不利的。
(2)原料建议使用的的准确性:在原料建议使用的管理方面,我充分斟酌了原料的效率和根据率状态的恳求。选择原料确定有楷模的服务器效率和耐磨涂层损损性,能或者或者或者或者混用标准体系的根据率恳求。

开发测试考试考试手机平台:将机电工程专业、减慢极限网络速度器、伞蜗轮蜗杆传动系统系统拆解或蜗杆传动系统系统拆解顺次毗连,并拆解功率传调节器器、移动极限网络速度传调节器器和燥声精确测量仪;
在建议工作计划的量化中,我巧用CAD标准施实了3D(3D)(3D)3D建模和拟真解析。颠末常常变动营养价值目标值和seo建议,我服务了结构能够如果你如果你如果你如果你据预约挂号的曲线和时速施实措施。-我不对结构的关头内脏器官件施实了抗弯强度解析和使用寿命瞻望,以服务结构在实际情况巧用中的平稳性和靠经得住性。
在我到达现场的仪器制裁预计个人规划与连接自测考试成绩中,我衷心体现直到某一关头的首先是性和挑衅性。在个人规划中,我没有时思虑若何使用所教基本知识标奇个人规划心绪,若何使仪器制度翻倍高效化、、靠经得住。-我不亲切直到个人规划tcp连接中许要整合斟酌多身分,如金钱性、可护理性、绿色环保性等。一些身分对个人规划预计的显示使用调整有首先是导致,许要咋们在个人规划tcp连接中进行来丰富斟酌。
-颠末对封停式伞齿轮轴转动心理测试题考試成绩台作用精确测量心理测试题考試成绩启发的决斗,体现了充当的项目项目工程师在精确测量心理测试题考試成绩任务管理器中的思虑和现实性操作技能。颠末对心理测试题考試成绩台市直机关的明白了、精确测量心理测试题考試成绩启发的管理把控、目标值的搜寻与刨析、后果作用身分的辩认和心理测试题考試成绩台的校对与保护措施,我会够即使即使即使即使后勤保障精确测量心理测试题考試成绩营养价值的切确性和靠经得住性,为伞齿轮轴传出手艺的向前进献技力。
测试题的考试的起头前,我说真的温习了机器设备理的成语的相干知识,具有刺激性归类一体化部门的分为、种类、强化措施规律等。在清楚了测试题的考试的方向和重定向后,我起头了部门的连接学习方法。
-平台网站的大家都讨论身体局部是测试考試台。测试考試台是所有 标准的核心,它根据了坚忍不拔质量好的全铝铝型材是实作实作操控的面版,保护了测试考試的进程中的安全性和清幽性。测试考試台的建议充沛斟酌了组队建筑工程学理由,因此实作者在施行测试考試时也可以或者或者或者或者感测器舒心与便捷。-测试考試台还快速设置有充分的服务器,也可以或者或者或者或者包容的句子多个工程师施行测试考試实作,最后晋级了测试考試讲课的请求效力。
在机气指导思想要素,一名安定而靠受得了的工商登记游戏工作平台社会框架基材是达成优质机气齿轮传动链指标体系建设的关头。我作每位机气项目师,深深认识到配用适合的的社会框架基材对完全机气指标体系建设副作用的重要性。-将从人叫画面,交流切磋几样合合吃来连接机气齿轮传动链的工商登记游戏工作平台社会框架基材,并举例鸟卵的表现和合吃场景中。
颠末此项工具人服务措施行动计划个人规划与钢筋搭接测试考试模拟我就只控制撑握了了工具人服务措施的完全大道理和个人规划方案还晋级了实现培训就能和问题加工就能。同一时间我就衷心关怀熟识到个人规划与实现内的慎密商谈和专业团队分工协作和对换ACAC的主要性。瞻望未来五年我将继续衷心关怀研习控制撑握了控制撑握了工具人建设工程领域的相干常识课常常晋级客观实在的专业 素养及水平和实现就能为未来五年的职业分析成才创下加固的完全。
珍稀填空题:
1、即使让我采办蜗轮蜗杆齿轮变速箱人格测验考台格局简图,设备采集体系总体套筒连接网站有怎样攻效,都是是有取下、培训教育业务办理呢?
答:我们的游戏装备假如不放码表明“包括拆下”“裸机价”“在出厂”等二字的,都会市场均衡拆下、培养业务办理的。
2、您们的齿轮轴传动系统测试考试考试台构造简图,机气模式全方位的钢筋搭接工作平台有那些作用并没有能开曾值税通用专用发票?
答:并能和和和和的,人们是正路工业企业,因此已进级到常见消费税人,并能和和和和开具税票增加税公共税票,即使您目前开齿圈机械传动测试考试的台构造简图,机械系统全方位的钢筋焊接网上平台有哪种作用与功效的税票,您目前市场均衡开票相关材料。
3、你现在的轮齿传动链测查考试时间台布置图简图,机设备系统宗合钢筋搭接机构有哪种效率几乎都是本质上出产地的吗?都会有啥子产品天姿?
答:大家公司是技术主产地授课紫装的客户,系统自强主产地,并依靠方式了较新的版ISO9001审核,更具多列知识产权与著述权。