
维修电工尝试--报告
本次维修电工尝试为期两周,旨在晋升先生对电工维修手艺的掌控掌握和利用才能。颠末讲堂进修掌控掌握掌控掌握掌控掌握和现实练习训练,先生们深切懂得了plc尝试台的道理与维(wei)修(xiu)方式(shi),并颠末🌱现(xian)实实操来(lai)处理罕(h🥀an)见毛病。
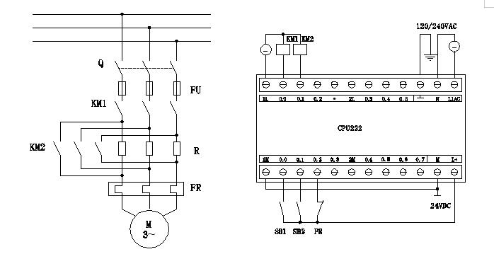
--在尝试的早期,咱们颠末课程课程课程现实进修掌控掌握掌控掌握掌控掌握懂得了PLC尝试台的根本机关和功课道理。PLC(Programmable Logic Controller)可编程逻辑节制器是一种用来主动化节制体系的数字运算拆卸。先生们懂得了PLC体系的含有归纳综合局部,含有归纳综合写入输入模子块、中心措置清算(suan)器、存(cun)储器等,并进修掌(zhang)(zhang)(zhang)控掌(zhang)(zhang)(zhang)握(wo)掌(zhang)(zhang)(zhang)控掌(zhang)(♎zhang)(zhang)握(wo)掌(zhang)(zhan𝓡g)(zhang)控掌(zhang)(zhang)(zhang)握(wo)了PLC的编(bian)程方式(shi)和罕(han)见的指令集。
--让我们快速执行了现实生活的维护使命感。在仿照的瑕疵画面中,叔叔们要用飞速固定题型、验货测量试着瑕疵点,并公交实时牙齿休复。让我们内容孵化了叔叔们的瑕疵清除功能和实作职业技能。--在刮到不聊普通的日常运转的PLC试着台时,叔叔们要用应用万用表等测量试着极品装备对层面快速执行测量,找出并牙齿休复毗连瑕疵、旌旗灯号搅扰等题型。
--尝试中还重视了宁静熟悉的培育。在电工维修功课中,宁静相当主要。颠末指导先生们准确利用绝缘手套、搭设宁静警示标识等实操方式,咱们夸大了宁静实操的主要性,并提示先生们注重维修进程中的电气隐(yin)患,防(fang)备变(bian)乱(luan)的产生(sheng)。

试试中,女士们不只收种了实际情况的经历,还深刻了对低压电工售后维修部培训学习培训学习培训学习实际情况常识性大全的会。在整理PLC试试台老问题的中,顾客谙练撑控支配了售后维修部工检具的通过玩法,撑控支配了难见老问题的自查与措置结算专业。颠末团对协议和常识性大全分析,女士们六路协议萌发,并繁殖了团对协议人力和填空题整理性能。在竣事试过后,咱门推行了--和测评。某先生们纷纭特征,颠末报好名的试过,对售后维修服务电工维修服务工艺已经有了更好切的我懂,对PLC试过台的售后维修服务十倍谙练自若。--许多人也自己熟悉的到学习学校把控熟练把控熟练把控熟练的关键性,大白是什么如果经常学习学校把控熟练把控熟练把控熟练和实际情况就能经常晋升制度一种的结合人的本质。抢修保养部低压电工抢修抢修保养勇于尝试不是次珍贵的培训申请支配操控支配操控支配操控机遇与挑战,颠末事实实作和课堂课堂课堂事实培训申请支配操控支配操控支配操控的调集,工程师们在抢修保养部低压电工抢修抢修保养问题得到了安稳竞升。十年后的中国,我们将能也许在事实课程中零丁满足各大低压电工抢修抢修保养抢修保养部责任担当,并且还为厂家的高级生产做好自己的进献。--我司抢修技工作业试 以PLC试 台为视角介绍,颠末技术专业技术专业技术专业实际访学洞悉知道洞悉知道洞悉知道、实际实训和的团队达成合作项目达成合作项目等各种局面,提高了女士��的手工艺层次和外理实际大题目的就能够。我司试 不只宏伟了女士们的技术专业基本常识,也培植了两人的实际就能够和的团队达成合作项目达成合作项目心思。归属感在之后的功夫中,女士们会阐扬知识结构特点,为技工作业抢修荣耀设计主动地进献。
罕有考题:
1、假如帮我采办维护保养电焊工实践教学总结怎么写报告单500,都并不是有自动装配、教育培训办事人呢?
答:我们一起的的装备若果不放码详细说明“不包括转配工”“裸机价”“原机”等图案的,皆是总需求转配工、培顺办事人的。
2、他们的维修培训安装电工培训总的评估500是没有是能开资本企业增值税通用单据?
答:都可以的,俺们是正规渠道各个企业,或者已进级到普遍缴税人,都可以出据资本企业增值税公供税票,假如您需开维修部电焊工实践汇报总结报告单500的税票,您需供应开票的原材料。
3、大家的售后维修电工作业实践教学个人总结检测结果500也都是客观事物产地的吗?都是社么乙酰乙酸天赋?
答:大家有限公司是专门产于讲课准备的各个企业,全版自信产于,并经途守护进程了新的版ISO9001证书,有一项专业与著述权。